| Contact: info@eschertek.nl | +31618804825 | Terms: DNR2011| KvK: 89075021 | Since: 2023 |
 
     
  Escher TEK Home Button  
 

Project 2505 - Lil Weld - Design of steel frame

 
 

A steel fabricator needed a hall to be drawn in 3D. Escher Tek created an initial model, revised the model a few times alongside the fabricaor. With the final design: created shopdrawings and lasercutting files.

LIL WELD

Professional custom welding

www.lilweld.nl

 

 

  Escher Tek Project 2505 Steel frame

Drilling + Sawlist + Welding + Assemblies

The shopdrawing is prepared for the specific user.

For instance: the top beams are placed in a row and the connection holes drilled with a magnet drill.
A page is prepared for this step.

Escher Tek Workshop drawings

  Escher Tek Steel construction

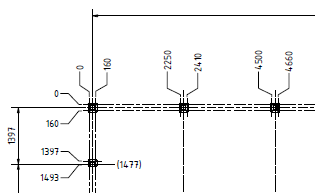
Anchor bolts

The connection from the concrete footing to the frame.

Escher Tek Steel frame constructions

  Escher Tek Steel constructions
 
 

Escher Tek steel construction walls

LilWeld Boys with Toys

Escher Tek steel structure finished

 
 
Escher Tek Steel construction Finished  

Escher Tek Steel construction Floor

The floor is made of poored concrete, incasing the feet and anchor bolts.
No hassle with grout, no nuts sticking out of the floor, just the posts, easy cleaning.
Smart.

 
 
     
 
 

 

 
  | Contact: info@eschertek.nl | +31618804825 | Terms: DNR2011| KvK: 89075021 | Since: 2023 |